|
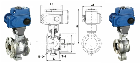
电动V型球阀概述: 电动V型球阀是一种球芯为V型结构的高性能V型调节阀,它的V型开口可与阀座流道形成各种不同的V型角度,实现对管路介质各项参数的比例式精准调节。电动V型调节球阀关闭时,V型切口能够轻松切断管道内的各种纸浆或纤维等粘稠介质,有效保证管路的流通,又能防止球阀球芯卡死的现象。电动V型球阀调节流量有近似等百分比或者线性的流量特性,V型口角度可定制,满足更精*的截断特性和控制功能。 电动V型球阀优点: 1、电动V型球阀的V型缺口球芯与金属阀座之间具有***佳的剪切功能,特别适用于含纤维质流体、微小固体颗粒、料浆类流体等介质的工业管道中做自控调节和切断控制。 2、电动V型调节阀可调范围较广,有近似等百分比或者线性的流量特性,还具有可靠的定位能力。 3、电动V型调节球阀特有的V型阀芯结构改善了传统球阀的控制性问题,使介质流量通过V型阀芯开口之间的开度得到了更精密的控制。 电动V型调节阀技术参数:
电动V型球阀流道的截面形状及流量特性示意图:
|
-
结构紧凑,体积小,可竖卧安装等优点。
-
V型球阀采用双轴承结构,机械稳定性能高,启动扭矩小,保证了阀门具有***好的灵敏度和感应速度。
-
特别适用于含纤维质流体、微小固体颗粒、料浆类流体等介质的工业管道中做自控调节和切断控制。
-
球阀结构紧凑,采用聚四氟乙烯等材料制作的密封圈密封性能好。
-
体积小、轻便、性能可靠、配套简单、流通能力大等优点。
-
根据用户提供的流量、压力提供选型规格书及控制方案图。



