|
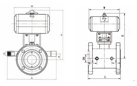
气动保温球阀概述: 气动保温球阀特别适合用于容易凝固、及高粘度的液体介质,具有良好的保温保冷特性,防止物料结晶堵塞管道,尤其是一些不经??兀锪狭鞫圆皇呛芎玫某『?。夹套保温气动球阀的通径与管径一致,同时又能有效降低管路中介质热量损失。 气动保温球阀特点: 气动保温球阀根据使用工况不同,夹套可以是冷凝水,用于因为过热而析出晶体,也可以用热水、蒸汽和导热油做伴热用,其具有良好的保温保冷特性,常用于输送常温下会凝固的高粘度介质。 气动保温球阀参数:
气动保温球阀应用: 气动保温球阀用于需要保持一定温度,或者介质冷却容易堵塞阀门,伴热保温。比如液流的保温要求在135-145度,低于指标液流会冻结,如果阀门不用蒸汽夹套的话,会造成阀门无法操作,可用于石油、化工、冶金、制药、食品等各类系统中。 气动保温球阀可选功能:
|
-
具有良好的保温、保冷特性
-
GT、AT、AR、AW系列单双作用气动执行器。
-
适用范围:城建、化工、冶金、石油、制药、食品、饮料、环保。
-
结构简单、体积小、重量轻。
-
夹套采用碳素钢管焊接比铸造的更加耐压牢固。
-
根据用户提供的流量、压力提供选型规格书及控制方案图。


