|
AX742X多功能安全持压泄压阀原理作用: AX742X多功能安全持压泄压阀是以管道介质压力为动力,进行启闭、调节的阀门。AX742X多功能安全持压泄压阀由一个主阀和附设的导管、针阀、球阀和压力表等组成,根据使用的目的、功能场所的不同,可演变成??馗∏蚍?、减压阀、缓闭止回阀、流量控制器、泄压阀、水泵控制阀、水力电动控制阀、紧急关闭阀。AX742X多功能安全持压泄压阀按结构可分为隔膜型和活塞型两类。 AX742X多功能安全持压泄压阀安装在高层建筑、消防给水系统以及其它给水系统的管道上,当给水管路中压力超过泄压阀设定压力时,AX742X安全泄压/持压阀自动开启快速泄压,?;す芟叩陌踩?,也可作持压阀用,保障主阀上游的供水压力。当管道从进水端给水时,水流过针阀进入主阀控制室,出口压力通过导管作用到导阀上,当出口压力高于导阀设定值时,导阀关闭,控制室停止排水,此时主阀控制室内压力升高并关闭主阀,出口压力不再升高;当出口压力降到导阀设定压力时导阀开启,控制室向下游排水,由于导阀的排水量大于针阀的进水量,主阀控制室压力下降,进口压力使主阀开启;稳定状态下,控制室进水、排水相同,开度不变,出口压力不变。调节导阀弹簧即可设定出口压力。 AX742X多功能安全持压泄压阀性能特点: ①压力控制稳定可靠。导阀、主阀连续工作,下游压力变化连续、平稳,受进口压力影响??; ②操作方便。工作压力调定后,当上游压力或流量变动时主阀自动调节,稳定了下游压力; ③阀体采用了全通道、直流式、流线型设计。水力损失小,节能效果好。 AX742X多功能安全持压泄压阀技术参数:
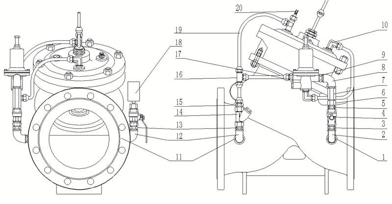
AX742X多功能安全持压泄压阀部件材质:
AX742X多功能安全持压泄压阀外形尺寸: ![]()
|
|||||||||||||||||||||||||||||||||||||||||||||||||||||||||||||||||||||||||||||||||||||||||||||||||||||||||||||||||||||||||||||||||||||||||||||||||||||||||||||||||||||||||||||||||||||||||||||||||||||||||||||||||||||||||||||||||||||||||||||||||||||||||||||||||||||||||||||||||||||||||||||||||||||
-
工作压力调定后,当上游压力或流量变动时主阀自动调节,稳定了下游压力。
-
导阀、主阀连续工作,下游压力变化连续、平稳,受进口压力影响小。
-
多功能安全持压泄压阀是以管道介质压力为动力,进行启闭、调节的阀门。
-
阀体采用了全通道、直流式、流线型设计。水力损失小,节能效果好。
-
多功能安全持压泄压阀安装在高层建筑、消防给水系统以及其它给水系统的管道。
-
根据用户提供的流量、压力提供选型规格书及控制方案图。


