|
H44H旋启式日标止回阀原理作用: H44H旋启式日标止回阀的启闭件靠介质流动和力量自行开启或关闭,以防止介质倒流。日标止回阀一般分为升降式、旋启式、蝶式及卧式等四种类型,通式升降式止回阀应安装于水平管路上,立式升降式止回阀和底阀一般安装在垂直管路上,并且介质自下而上流动,H44H旋启式日标止回阀安装位置不受限制,通常安装于水平管路,但也可以安装于垂直管路或倾料管路上。H44H旋启式日标止回阀安装方式:止回阀只允许介质向一个方向流动,应特别注意介质流动方向,应使介质正常流动方向与阀体上指示的箭头方向相一致,否则就会截断介质的正常流动。 H44H旋启式日标止回阀是以日本JIS标准生产制造,H44H旋启式日标止回阀压力以K来表述。 H44H旋启式日标止回阀性能特点: ①水平或垂直管道均可使用,安装方便; ②流道通畅、流体阻力小。 H44H旋启式日标止回阀技术参数:
H44H旋启式日标止回阀部件材质:
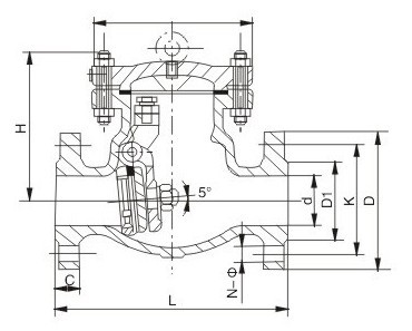
H44H旋启式日标止回阀外形尺寸: ![]()
|
|||||||||||||||||||||||||||||||||||||||||||||||||||||||||||||||||||||||||||||||||||||||||||||||||||||||||||||||||||||||||||||||||||||||
-
产品采用金属材质表面顺滑光亮
-
采用不锈钢材料,不生锈的同时材料的坚固也有保障
-
启闭件靠流动介质的压力来实现自动开启或关闭。
-
止回阀只用于介质单向流动的管路上,阻止介质回流,以防发生事故。
-
水平或垂直管道均可使用,安装方便
-
根据用户提供的流量、压力提供选型规格书及控制方案图。


